¹Ð¿öŰ ȨÆäÀÌÁö ¹Ù·Î°¡±â
·Î±×ÀÎ
Àå¹Ù±¸´Ï
°í°´¼¾ÅÍ
Milwaukee
Cart
0
°Ë»ö
¼ºñ½ººÎǰ
M12 Á¦Ç°
M18 Á¦Ç°
À¯¼±/¿¡¾î Á¦Ç°
ÀÛ¾÷°³¼± ¾ÆÀÌÅÛ
¼ö°ø±¸
¾×¼¼¼¸®
¹èÅ͸®/ÃæÀü±â
¼ºñ½ººÎǰ
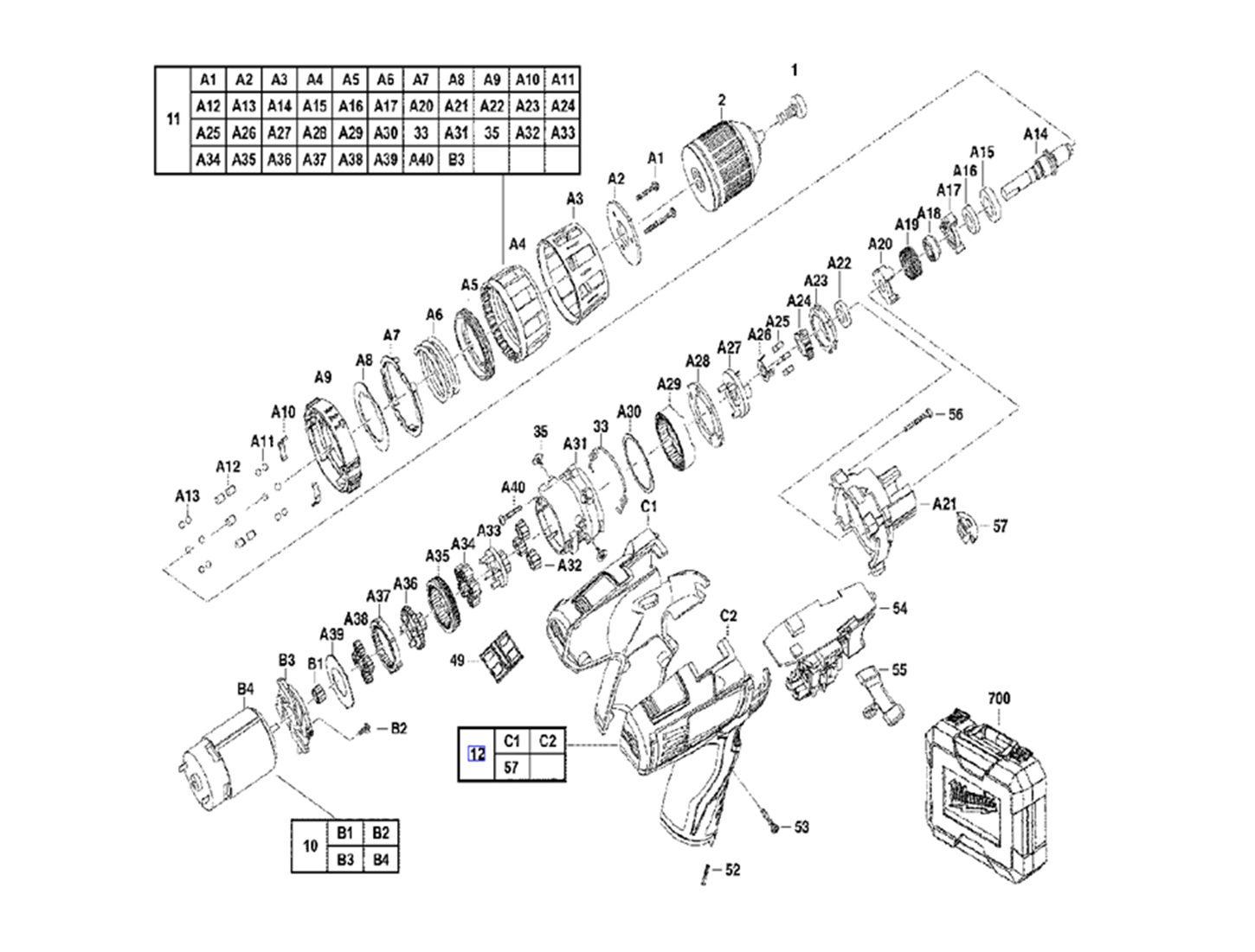
¸ðµ¨¸í : C12 PD
µµ¸é È®´ë ¹× ȸÀü
ºÎǰ¹øÈ£
ºÎǰ¸í
°Ë»ö
¸ñ·Ïº¸±â
¹øÈ£
ºÎǰ¹øÈ£
ºÎǰ¸í
ÆÇ¸Å°¡
ÁÖ¹®¼ö·®
A1
660228016
³ª»ç
550
¿ø
Ãß°¡
»èÁ¦
A24
611079001
Ä· Ç÷¹ÀÌÆ®
550
¿ø
Ãß°¡
»èÁ¦
A22
680339003
º¼ º£¾î¸µ
1,650
¿ø
Ãß°¡
»èÁ¦
A20
692367001
¶óàÇȽº
3,300
¿ø
Ãß°¡
»èÁ¦
A19
692370001
½ºÇÁ¸µ
550
¿ø
Ãß°¡
»èÁ¦
A18
692368001
¶óà·ÎŸ¸®
2,750
¿ø
Ãß°¡
»èÁ¦
A17
692369001
»þÇÁÆ® ºÎ½Ã
3,300
¿ø
Ãß°¡
»èÁ¦
A16
681389001
º¼ º£¾î¸µ
1,650
¿ø
Ãß°¡
»èÁ¦
A15
680414001
º¼ º£¾î¸µ
1,650
¿ø
Ãß°¡
»èÁ¦
A14
621090001
¾Æ¿ô »þÇÁÆ®
8,250
¿ø
Ãß°¡
»èÁ¦
A12
672990001
Ŭ·¯Ä¡ ÇÉ
550
¿ø
Ãß°¡
»èÁ¦
A11/A13
670220001
º¼(½ºÆ¿)(Dia4mm)
550
¿ø
Ãß°¡
»èÁ¦
A10
632826001
Ç÷¹ÀÌÆ®
550
¿ø
Ãß°¡
»èÁ¦
A8
633362001
Ŭ·¯Ä¡ ¿Í¼Å
550
¿ø
Ãß°¡
»èÁ¦
A6
692460001
½ºÇÁ¸µ
550
¿ø
Ãß°¡
»èÁ¦
A5
520564002
½½¸®ºê(ÇÃ¶ó½ºÆ½)
1,100
¿ø
Ãß°¡
»èÁ¦
A23
680332024
¾Æ¿ô ºê¶óÃÂ(½ºÆ¿)
3,300
¿ø
Ãß°¡
»èÁ¦
A26
633409001
Ŭ¸¯ ¿Í¼Å
550
¿ø
Ãß°¡
»èÁ¦
B3
519336001
¸ðÅÍ Ä¿¹ö
1,100
¿ø
Ãß°¡
»èÁ¦
B2
660211006
³ª»ç(½ºÆ¿)
550
¿ø
Ãß°¡
»èÁ¦
B1
610994001
¸ðÅÍ ÇǴϾð ±â¾î
550
¿ø
Ãß°¡
»èÁ¦
A40
660211016
³ª»ç
550
¿ø
Ãß°¡
»èÁ¦
A39
633012001
¿Í¼Å
550
¿ø
Ãß°¡
»èÁ¦
A37
610997001
1Â÷ ¸µ ±â¾î
550
¿ø
Ãß°¡
»èÁ¦
A38
610991001
1Â÷ ÇÁ·¡³Ý ±â¾î
550
¿ø
Ãß°¡
»èÁ¦
A36
610995001
2Â÷ ½ã ±â¾î
1,100
¿ø
Ãß°¡
»èÁ¦
A35
580029001
2Â÷ ¸µ ±â¾î
1,100
¿ø
Ãß°¡
»èÁ¦
A34
610992001
2Â÷ Ç÷¡³Ý ±â¾î
550
¿ø
Ãß°¡
»èÁ¦
A33
611181001
3Â÷ ½ã ±â¾î
1,100
¿ø
Ãß°¡
»èÁ¦
A32
611182001
3Â÷ Ç÷¡³Ý ±â¾î
550
¿ø
Ãß°¡
»èÁ¦
A31
520471001
¸®¾î ÇÏ¿ì¡(ÇÃ¶ó½ºÆ½)
1,100
¿ø
Ãß°¡
»èÁ¦
A30
633144001
¿Í¼Å
550
¿ø
Ãß°¡
»èÁ¦
A27
611078001
ij¸®¾î
1,100
¿ø
Ãß°¡
»èÁ¦
A29
611141001
3Â÷ ¸µ ±â¾î
1,100
¿ø
Ãß°¡
»èÁ¦
1
660120008
ô ³ª»ç
550
¿ø
Ãß°¡
»èÁ¦
2
201495002
ô
22,550
¿ø
Ãß°¡
»èÁ¦
10
201492002
¸ðÅÍ ¼¼Æ®
19,800
¿ø
Ãß°¡
»èÁ¦
11
201493002
±â¾î, Ŭ·¯Ä¡ ¼¼Æ®
46,200
¿ø
Ãß°¡
»èÁ¦
12
201494002
ÇÏ¿ì¡ ¼¼Æ®
9,900
¿ø
Ãß°¡
»èÁ¦
35
661262001
³ª»ç
550
¿ø
Ãß°¡
»èÁ¦
49
350398001
¼Óµµ Á¶Àý ·¹¹ö
550
¿ø
Ãß°¡
»èÁ¦
52
631542001
ÇÏ¿ì¡ °íÁ¤ ÇÉ
550
¿ø
Ãß°¡
»èÁ¦
53
660570005
³ª»ç
550
¿ø
Ãß°¡
»èÁ¦
54
201508005
½ºÀ§Ä¡, PCB º¸µå
38,500
¿ø
Ãß°¡
»èÁ¦
54_6
303508004
¹èÅ͸® Å͹̳¯
1,650
¿ø
Ãß°¡
»èÁ¦
55
520988001
ÁÂ ¿ì ·¹¹ö
550
¿ø
Ãß°¡
»èÁ¦
56
660230017
³ª»ç
550
¿ø
Ãß°¡
»èÁ¦
57
519377001
LED Ȧ´õ(ÇÃ¶ó½ºÆ½)
1,100
¿ø
Ãß°¡
»èÁ¦
ÃÑ
0
¿ø
CART
Àå¹Ù±¸´Ï ´ã±â
¼±ÅÃÇϽŠ»óǰÀ» Àå¹Ù±¸´Ï¿¡ ´ã¾Ò½À´Ï´Ù.
°è¼Ó¼îÇÎ
Àå¹Ù±¸´Ï
ÀÌ¿ë¾à°ü
°³ÀÎÁ¤º¸Ãë±Þ¹æÄ§
»ç¾÷ÀÚÁ¤º¸È®ÀÎ
¹Ð¿ö۰æ±â¼ºñ½º À¯ÇÑȸ»ç
°æ±â ¼ö¿ø½Ã ±Ç¼±±¸ ¸Å¼Û°í»ö·Î 668-1, 301È£ (°í»öµ¿)
TEL : 1522-8773 / FAX : 031-895-6892 / E-MAIL : milsvc0447@gmail.com
´ëÇ¥ : ³ª¼®ÁØ / »ç¾÷ÀÚ µî·Ï¹øÈ£ : 217-88-02958 / Åë½ÅÆÇ¸Å¹øÈ£ : Á¦ 2023-¼ö¿ø±Ç¼±-1501 È£
»ç¾÷ÀÚÁ¤º¸ È®ÀÎ